最新电影在线观看,jrs低调看直播,avav天堂,囯产精品宾馆在线精品酒店,亚洲精品成人区在线观看

  • 1
    回復
  • 收藏
  • 點贊
  • 分享
  • 發新帖

【DigiKey DC-DC專場】+基于MPQ3323BGRE的LED可編程矩陣燈帶

可編程矩陣大燈已經成為了新能源汽車的主流,客戶可以根據需求通過尾燈像外界展示不同的圖案,從而傳達自己的思想與意圖。

MPQ3323BGRE是一款四通道 LED 驅動器,其輸入電壓范圍可達 4.5V 至 16V(Vin)。MPQ3323B 在每個 LED 線路終端內設有四個內部電流源。每個通道的 LED 電流(ILED)由外部電流設定電阻來設定。每個通道的最大電流為 320mA。MPQ3323B 集成了一個 12C 接口,通過外部電阻最多可配置 10 個 12C 地址。這意味著 MPQ3323B 能夠支持多達 10 個級聯的 IC 來驅動 LED 陣列。如下圖1所示。每個通道都可以通過 L2C 來開啟或關閉。芯片同時支持每個 LED 通道的獨立脈沖寬度調制(PWM)調光和模擬調光,此外每個通道還支持 12 位 PWM 調光和 6 位模擬調光如圖2所示。從而展示不同的顏色。該芯片的 ILED 上升時間及相位偏移均可進行配置,以降低電磁干擾。

圖1 MPQ3323B級聯的i2c來驅動LED陣列

圖2 脈寬調制調光原理

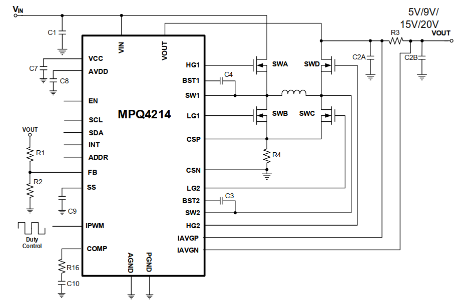
dc/dc芯片可以選擇MPQ4214 ,供電范圍可以從5V到40V,它可以輸出最高1A的持續電流為led提供電流。

其中,SWA,SWB,SWC和SWD為N溝道的mosfet,Vds(MAX)可以選擇1.5倍的Vin。并且由MPQ4214的datasheet獲知,每個MOSFET的柵極電荷需要低于50nC。

從得捷電子購買的MPQ4214以及MPQ3323如下圖所示。

主控芯片采用TMS320F28379D(因本人手頭有現成的開發板可供使用),通過I2C總線控制不同的led通道的接通與關閉,通過I2C調整不同頻率的PWM實現調光,最終實現不同的顏色字樣的圖形展示。

全部回復(1)
正序查看
倒序查看
08-28 17:34

文章試用產品為:MPQ3323BGRE-AEC1-Z

購買鏈接:

0
回復