最新电影在线观看,jrs低调看直播,avav天堂,囯产精品宾馆在线精品酒店,亚洲精品成人区在线观看

  • 回復
  • 收藏
  • 點贊
  • 分享
  • 發新帖

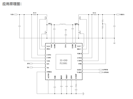
PL5501 單向升降壓控制器

PL5501是一款同步的4開關升降壓控制器,能夠在高于或低于輸入電壓時調節輸出電壓。

產品描述

PL5501 是一款同步4開關降壓-升壓控制器,能夠在高于或低于輸入電壓時調節輸出電壓。PL5501可在 3.6V至32V(最大36V)的寬范圍輸入電壓范圍內工作,以支持各種應用。

PL5501 在降壓、升壓和降壓-升壓作模式下采用恒定導通時間控制,以實現卓越的負載和線路調節。開關頻率可根據FREQ引腳和GND引腳之間的電阻值不同,設置為150kHz、300kHz、600kHz或1200kHz。該器件還具有可編程軟啟動功能,并提供各種保護功能,包括逐周期電流限制、輸入欠壓鎖定 (UVLO)、輸出過壓保護 (OVP)、熱關斷和輸出短路保護等。

VADJ、IADJ引腳用于編程輸出 VBUS 電壓和輸出電流限制,提供電壓控制回路、恒流回路、熱調節回路、溫度感應,這使得PL5501成為USB供電 (PD) 應用的絕佳選擇。

典型應用場景

汽車啟停系統

備用電池和超級電容器充電

工業用電源供應器

車載充電器

HUB電源傳輸技術

全部回復(0)
正序查看
倒序查看
現在還沒有回復呢,說說你的想法