CS8736E 作為 2X150W 立體聲 D 類音頻功率放大器,在硬件設計中具備多重適配優勢,尤其貼合高功率音頻場景需求。其頂層設計散熱焊盤,外接散熱器后可實現 2X150W 以上持續功率輸出,且在適宜電源電壓下能驅動低至 2Ω 負載,搭配 EFB40 封裝,為散熱器件安裝及 PCB 布局提供便利,額定工作溫度范圍覆蓋 - 20℃至 85℃,適配多環境應用。
電氣性能上,該芯片支持 5V~36V 寬電源電壓輸入,45V 耐壓設計提升可靠性,92% 高效性能(PVCC=15V、PO=2X20W 條件下)降低功耗損耗;內置過流、短路、過熱三重保護,過熱保護觸發溫度 170℃,降溫 20℃后可自動恢復,短路故障排除后 110ms 內自恢復,減少硬件故障風險。
設計靈活性方面,CS8736E 提供三段增益可選(GAIN 端接地 / 懸空 / 接高電平對應 54 倍 / 40 倍 / 20 倍放大,集成對應輸入與反饋電阻),AMR/AML 管腳可通過不同接地方式選擇 270kHz-600kHz 開關頻率以實現 AM 抑制;PCB 設計時需注意大電流路徑(VIN→PVCC→GND)粗短走線、露銅加錫,供電腳就近貼 10μF 與 1μF 陶瓷電容,推薦搭配 470μF 電解電容,所有 GND 就近接大面積銅箔減小阻抗,進一步保障電路穩定性。
目前該芯片提供 EFB40 封裝管裝版本,適配車載音頻、家庭音響系統、緊急呼叫等場景,硬件工程師可結合具體功率需求(如 VDD=34V@RL=4Ω 時 2X155W 輸出)及防護設計需求,快速集成至音頻方案中。
一CS8736E的特性
輸出功率(THD+N=10%)
VDD=24V@RL=4Ω 2X80W
VDD=28V@RL=4Ω 2X110W
VDD=30V@RL=4Ω 2X130W
VDD=32V@RL=4Ω 2X140W
VDD=34V@RL=4Ω 2X155W
VDD=36V@RL=8Ω 2X99W
單電源供電,寬電源電壓范圍:5V~36V
高可靠性設計:45V耐壓設計
效率:92%@PVCC=15VPO=2X20W
三段增益可選
靜音功能控制
音頻系統帶濾波網絡,靜態電流30mA@24V
多重開關頻率可選:AM抑制選頻功能
輸出管腳方便布線布局
良好短路保護和具備自動恢復功能的溫度保護
良好的失真和防噗聲功能
差分輸入增強型封裝設計:頂層散熱焊盤的特殊設計
二 CS8736E 的應用信息
1 典型應用圖
2 引腳排列及定義
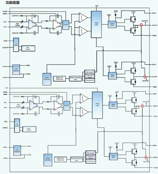
3 功能框圖