功率因數校正(PFC)是電子設備制造商用來提高其功率因數的一系列方法,好的產品設計都會有。目前驅動器中常用的是有源功率因數校正,這種方法可以改變電流波形的形狀,使其跟隨電壓。諧波被移到更高的頻率上,因而更容易被濾除。使用最廣泛的有源功率因數校正電路是boost升壓變換器。它與變壓器類似,可以升高直流電壓,同時降低電流。主功率器件由電感、晶體管和二極管組成。
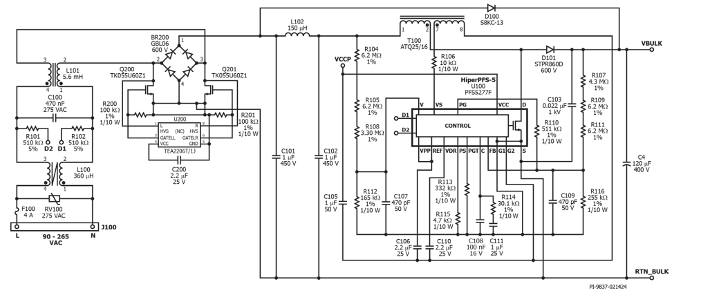
下面是PI用于功率因數校正(PFC)級的HiperPFS-5 PFS5277F電路方案。
升壓變換器有兩個工作階段:
第一個階段,當開關閉合時,電感通過電壓源充電(在這種情況下,電壓來自整流器);
第二個階段,當開關斷開時,電感將先前存儲的電流注入電路,以增加輸出電壓,同時還為電容充電,電容負責在電感充電時維持輸出電壓。
如果開關頻率足夠高,則電感和電容都不會完全放電,并且輸出端負載電壓始終高于輸入電壓源。這就是連續導通模式(CCM)。開關閉合的時間越長(即晶體管導通的時間越長),輸出端的電壓也越大。如果占空比(相對于總開關周期的開關導通時間)得到適當控制,則輸入電流波形可以整形為正弦波。
變換器跟蹤輸入電壓,使輸出電流看起來就像頻率為50Hz的正弦波,但其波形仍然與純正弦波相差很大,因此邏輯上它仍有大量諧波分量。由于諧波分量為開關頻率的倍數,比50Hz基頻高很多(50kHz至100kHz),因此可以很容易地被濾除,這顯著提高了功率因數。