最新电影在线观看,jrs低调看直播,avav天堂,囯产精品宾馆在线精品酒店,亚洲精品成人区在线观看

  • 2
    回復
  • 收藏
  • 點贊
  • 分享
  • 發新帖

INN5377設計的140W高功率密度USB PD 3.1電源

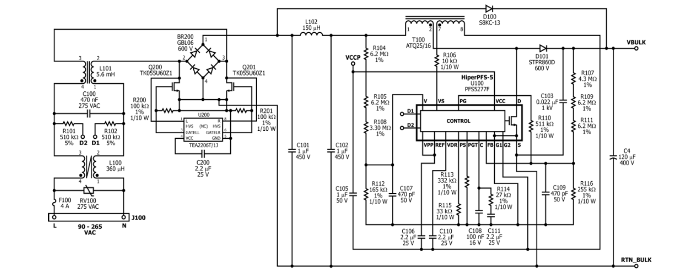
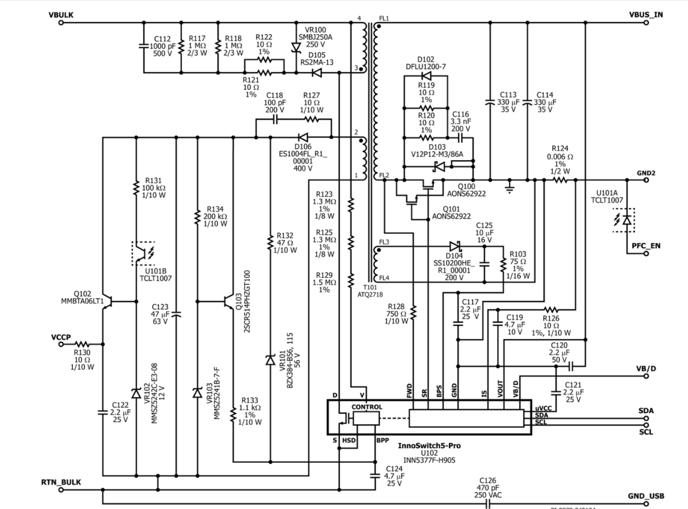
利用INN5377開發的140W高功率的電源,適配不同的快充協議,輸出電壓穩定,適配不同的負載。電源設計電路如下:

InnoSwitch5-Pro 控制DC-DC級反激式變換器,變壓器T101初級的一端連接到PFC輸出DC母線,另一端連接到InnoSwitch5-Pro IC 內開關的漏極端子。輸入欠壓/過壓(V)引腳提供輸入欠壓/過壓檢測,并通過電阻網絡R123、R125和R129連接到DC母線。 初級RCD鉗位可在U102內的開關關斷的一瞬間立即對U102的峰值漏極電壓進行鉗位控制。變壓器T101的漏感中儲存的能量通過二極管D105傳輸到電容C112。電阻R121和R122限制流入電容C112的峰值電流。電阻R117和R118耗散C112中的能量。 

在本設計中,英集芯IP2756 (U301)是USB Type-C和USB PD3.1/EPR 28V控制器。IP2756器件直接由反激輸出電壓VBUS_IN供電。USB PD協議通過CC1或CC2線路進行通訊,具體取決于USB Type-C插頭的連接方位。IP2756 IC使用SCL和SDA線路通過I2C接口與InnoSwitch5-Pro IC進行通信,在其中設置多個命令寄存器,例如CV、CC、VKP、OVA和UVA參數。這些參數分別對應InnoSwitch5-Pro IC的輸出電壓、恒定輸出電流、恒定輸出功率電壓閾值、輸出過壓閾值和輸出欠壓閾值寄存器。IP2756 IC同樣使用I2C接口從遙測寄存器中讀取InnoSwitch5-Pro IC的狀態。 

全部回復(2)
正序查看
倒序查看
23小時前
#該內容正在審核#
0
回復
trllgh
LV.10
3
20小時前
#該內容正在審核#
0
回復