最新电影在线观看,jrs低调看直播,avav天堂,囯产精品宾馆在线精品酒店,亚洲精品成人区在线观看

  • 回復
  • 收藏
  • 點贊
  • 分享
  • 發新帖

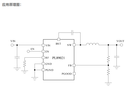
新能源BMS方案PL89021 100V降壓DC-DC

大東微電子代理的寶礫微PL89021是一款100V同步降壓DC-DC轉換器。主要應用于電器,電源設備和園藝工具、

高容量電池組 (電動自行車, 電動滑板車)及電機驅動裝置,無人機,通訊設備。

產品特征:

5V-100V寬范圍工作輸入電壓

結溫范圍: –40°C to +150°C

固定3ms內部軟啟動計時器

峰值電流限制保護

使能欠壓鎖定和熱停機保護

最小開啟時間低至100ns

可調開關頻率最大可達2MHz

5µA超低靜態電流

COT(恒定導通時間控制)控制架構

集成高側0.7Ω場效應管和低側0.34Ω場效應管開關,支持寬占空比范圍

1.2V內部電源基準

無需環路補償器件

集成VCC偏置調節器和自舉二極管

開漏式電源良好指示燈

采用ESOP8封裝

全部回復(0)
正序查看
倒序查看
現在還沒有回復呢,說說你的想法