最新电影在线观看,jrs低调看直播,avav天堂,囯产精品宾馆在线精品酒店,亚洲精品成人区在线观看

【Simon】
認證:VIP會員
所在專題目錄 查看專題
AHB不對稱半橋反激電路設計(二)主要器件參數規格計算
AHB不對稱半橋反激電路設計(一)拓撲工作過程詳細解讀
AHB不對稱半橋反激電路設計(三)PCB Layout注意事項
60W,效率92% QR/CCM混合模式反激電源設計與思路分享
作者動態 更多
平板變壓器優化設計理論與損耗模型之二,繞組交流損耗公式
9小時前
平面變壓器優化設計的理論基礎和損耗模型之一 損耗來源
1星期前
PFC Boost電路設計中涉及的數學公式
2星期前
AHB不對稱半橋反激電路設計(五)AHB拓撲調試與器件應力檢查
3星期前
AHB不對稱半橋反激電路設計(四)首樣制作與調試
08-18 16:18

AHB不對稱半橋反激電路設計(二)主要器件參數規格計算

接上一篇,通過這篇文章,我梳理了AHB拓撲的計算步驟,供大家參考。如有不對的地方請大家指教。

主要通過3個方面開始設計

  • 主控芯片的選擇
  • 理解芯片的控制邏輯
  • 核心參數的計算

其中核心參數設計與計算步驟

  1. 確定輸入電壓范圍
  2. 限定反射電壓Vor
  3. 計算匝比
  4. 確定工作頻率
  5. 計算原副邊電流值
  6. 計算電感量
  7. 確定AE值
  8. 計算原副邊匝數
  9. 變壓器線徑的選擇
  10. 計算諧振電容
  11. 芯片外圍參數設計

/***主控芯片的選擇***/

了解AHB基本拓撲工作原理后,從網上搜索了一些資料,得到了幾個規格型號

對于我來說新的方案,由于對方案還不熟悉,特別是GaN的方案之前沒做過,對其驅動方式,特性都不太懂,所以我更傾向于使用集成度高的方案,一方便可以免去設計時的難度,加快開發周期。另一方面可以減少物料開發數量。然后經過一段時間熟悉和調試后,再考慮用外置MOS的方式,這樣難度上有一個循序漸進的過程。

關于是否選擇PFC一起集成的方案?

從整體的工作時序上,集成度上看。集成PFC控制的芯片的原則上肯定會比較好,當時集成PFC在PCB layout上一定會比2個主控分開的方式要復雜,沒有畫過這類方案前,對PCB布局沒有完全熟悉時,個人認為選擇分開的會容易一些。

綜上我最后選擇DK87XXD系列作為第一個AHB方案的主控。

/***主控芯片的工作原理***/

基本控制原理

我把AHB控制分為2個控制部分

  1. 控制主管的開通時間,實現控制能量的傳遞。
  2. 控制輔助管的開通時間,控制下管開通時刻的ZVS

用于控制能量的邏輯。

以DK AHB主控芯片為例,其也是根據FB腳的檢測電壓值來判斷負載狀態,并由此分為3種能量傳遞模式

待機模式

固定開通2個周期,開通時間限定在Vcs=160mV時,并長時間間隙性工作,來實現減低待機功耗。

具體開通時長和間隙性工作的時間,規格書上沒看到。后面時間測試記錄

測試結果-----》還沒完成首樣,后面完善

PFM模式(極輕載)

在極輕載,為了實現開關損耗和導通損耗平衡,提高極輕載效率,芯片根據Vcs 大小,控制器還是固定開通兩個周期,Vcs 閾值從 160mv-300mV 調節。Vcs 增加,工作頻率降低;

自適應模式(中等功率)

在中等功率下,FB值不斷上升,但是芯片閾值電壓限定在300mV,隨著芯片內部FB采樣值的不斷上升,在25K-40KHz 內不斷增加脈沖數量,來提高輸出。

滿載變頻模式

和變頻調節的反激電路的控制原理一樣,當FB腳檢測電壓達到一定值時,進入滿載模式。從而調節原邊的能量供給。電壓低,增加導通時間,電壓高,減少導通時間。芯片通過改變頻率的方式來實現導通時間的改變。

從規格書上看,芯片判斷這個狀態是以 Vcs 300mV為閾值,到450mV過功率點為止

這個和大多數反激QR變頻芯片類似

這個運行模式是運行在負載為設計額定值70%-100%下的,從規格書上看當Vcs達到300mV。后續調試時可以以此來調節Rcs大小,調節輸出。

FB電壓與Vcs電壓控制工作模式的邏輯如下圖

控制ZVS開通的邏輯

主管的ZVS

DK87XX 通過VS 引腳檢測輔助繞組退磁情況,來判斷下管Vds是否達到零,從而確定開通時間,同時也確保變壓器退磁完成,避免下個周期磁飽和。

輔助管的ZVS

對比反激,由于AHB是為了實現ZVS和ZCS,增加了一個諧振狀態。那么系統就需要一個控制方式來確保ZVS。通常是檢測半橋中電Vhb的電壓來判斷和實現主管的ZVS。如果Vhb較高,在下一個周期增加上管的時間,讓其諧振電壓逐步到零。從而逐步達到ZVS狀態。

當電感制作好后,LK已經確定,確定諧振電容容值后,諧振頻率也已經確定。所以這個頻率并不是由主控芯片控制的。

公式上看,如果諧振電容越大,諧振周期長,由于芯片檢測下管是否需要開通是以檢測變壓器退磁的方法。 如果諧振頻率小了,就會因為退磁完成,但是Cds還不到零的情況出現。 而使得ZVS目的失效

所以這個需要后期再調試階段重點觀察。

/***核心器件的參數計算***/

變壓器計算

**1st Step 確定輸入電壓**

由之前PFC設計已經確定輸入電壓為400V,最小電壓為380V;PFC極限狀態OVP包含為480V(實際工程應用中由于電容耐壓一般為450V,故目標輸出建議為370-380,確保OVP點小于電容耐壓值)

----> PFC部分計算過程

**2nd Step 限定反射電壓Vor**

AHB反激中由于有諧振電容的參與,故反射電壓會被副邊鉗位。這點和反激電路一樣。從AHB拓撲的簡化圖可以看出

所以反射電壓為

通過2個方面約束Vor

  1. 最大占空比不超過0.45
  2. 副邊整流管耐壓值

確定占空比不超過0.45

根據反激特性,確保可以完全退磁。限定最大占空比為0.45

根據副邊整流管耐壓限制最小Vor

Vin 取420V,Vd限定120V耐壓,預留20V,取100V。 輸出電壓Vo為28V。

計算得Vor需大于92V

**3rd Step 計算匝比N**

已知輸出最大為28V,額定24V。

最大Vor為171V,最小Vor105V

我這里先取6

**4th Step 確定工作頻率**

根據之前芯片工作原理的分析,得負載越重,其頻率越低。這點和反激QR工作模式類似。查看芯片規格書最大導通時間為10.6uS,在結合D不超過0.45的限定,可以求最大工作頻率為45KHz,

不考慮其他因素的話,如果單單從選擇這個頻率的角度來看,選擇GaN作為功率管就沒有太大意義。

另外GaN理論上頻率可以做到很高,但是受制于變壓器損耗的限制,以PC95磁芯為例。工作頻率也最好控制在200KHz內。故這里暫時取150KHz

**5th Step 計算原邊電流Ipk**

由于我們知道電感與電流,頻率有關,所以在確定電感感量前需要先計算原邊電流Ipk.根據能量守恒定律

聯立方程組后可得過程在這里不列出了,就是分別列出電感的能量公式和輸入功率

Po取150W,考慮OCP點為130%之前都不發生飽和 Po=228W

D=0.45 Vinmin=380V  效率取0.95。得Ipk=2.8A,額定狀態時Ip=1.85A

根據匝比的副邊Ispk=16.8A

**6th Step 電感量Lp**

根據電感公式

進行換算得

Vor 我取最大170V 已獲得最大匝比 計算得原邊電感感量Lp為225uH

**7th Step 確定Ae值**

根據Ve法計算磁芯規格

其中r為波形系數 為有效值與平均值的比值,計算時 f 單位為KHz

反激拓撲波形系數為1.15,輸入功率取160W,代入公式計算得Ve=6442mm3。

查ATQ系列磁芯得ATQ27 Ve值為6256mm3 Ae=132mm2  ATQ28 Ve值為7290mm3 Ae=153mm2

如果考慮余量應該選擇ATQ28

**8th Step 計算匝數**

已知Ipk為2.8A,Lp為225uH, Ae=153.  B取0.18 得22.8Ts,取22Ts, 副邊匝數計算得3.66,取4Ts

對之前參數進行修正得

  1. 匝比為n=5.5
  2. Np=22Ts,Ns=4Ts
  3. Vor=154V
  4. Dmax=0.40
  5. Lp=200uH
  6. 副邊耐壓76V+28V=104V

**9th Step 線徑計算**

計算過程比較繁瑣,影響篇幅。我這里就不進行計算了。后續專門出一篇

**10th Step 諧振電容計算**

AHB拓撲中諧振電容的除了用于實現ZVS,LK漏感回收和諧振階段的能量傳遞。

諧振腔由諧振電容Cr和漏感Lk決定諧振頻率fr,公式

根據之前對AHB拓撲的分析可得,諧振頻率須大于主管的開關頻率,且在變壓器Lm續流階段完成一個周期才能實現ZVS和ZCS的條件。由此我們可以得到Cr與開關頻率的關系式

將諧振頻率公式代入的

注意上述公式沒有計算開關周期中的死區時間,由于主控下管關斷后的死區時間為內部算法決定,這里沒法獲得。參考廠家計算方法

公式中Lk為未知量,需要再變壓器完成繞制后才可知,這里取2-4%的電感量作為漏感計算得

Cr=165nF (暫定100nF CBB 加 68nF MLCC 并聯)

**11th Step 主控外圍器件**

該部分基于DK87XX系芯片設計,其他品牌也可以參考,只是要注意不同芯片的觸發閾值可能不一樣

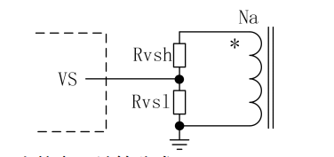
VS引腳

該引腳有復用功能,除了檢測輸入欠壓和過壓功能,還有檢測輸出OVP,退磁檢測功能。

首先確認芯片的啟動電壓

由于前級有PFC電路,我們實際上希望PFC開始工作后,AHB芯片才開始工作。那么按額定輸入230VAC輸入時,PFC未工作計算出母線電壓325V,故最小值應大于325V。由于芯片本身有誤差取350V。

上偏電阻計算公式(上偏電阻負責啟動電壓)

計算得Rvsh=125K-159K 取中間標準值130K

下偏電阻計算公式(下偏電阻負責輸出OVP)

由公式計算

其中輸出OVP,由于系統設定最大輸出電壓為28V,故OVP需大于30V,Vs為芯片基準電壓,查芯片規格書可得。

計算得RvsL 取27K,輸出OVP為30V

VCC引腳

由之前匝比計算,繞組供電電壓為17V,在芯片正常范圍內,我一般都是加1個22uF電解電容和100nF MLCC 濾波

CS引腳

由公式j計算

計算得Rcs=0.16

聲明:本內容為作者獨立觀點,不代表電子星球立場。未經允許不得轉載。授權事宜與稿件投訴,請聯系:editor@netbroad.com
覺得內容不錯的朋友,別忘了一鍵三連哦!
贊 7
收藏 15
關注 65
成為作者 賺取收益
全部留言
0/200
成為第一個和作者交流的人吧