最新电影在线观看,jrs低调看直播,avav天堂,囯产精品宾馆在线精品酒店,亚洲精品成人区在线观看

極管寄生振蕩抑制措

一、二極管增加RC吸收

       二極管的高頻等效電路模型如下圖所示:L代表由引線和二極管內部接點封裝所引起的等效串聯電感,RS為等效串聯電阻,CJ則是結電容。

圖1:二極管等效電路

       由于二極管的結電容很小,在比較大的分布電感的情況下,諧振電路的特征阻抗很高,造成比較高的諧振電壓,當插入RC吸收電路之后,電容C的值一般取得比較大,電容C的存在減小了整個諧振電路的特征阻抗,也就降低了諧振電壓。

圖2:二極管并聯RC吸收

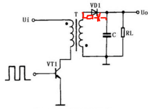
Buck續流二極管增加RC吸收

圖3:續流二極管并聯RC吸收

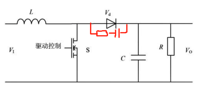
Boos升壓二極管增加RC吸收

圖4:升壓二極管并聯RC吸收

整流二極管增加RC吸收

圖5:整流二極管并聯RC吸收

RCD吸收二極管增加RC吸收

圖6:RCD吸收二極管并聯RC吸收

二、增加阻尼抑制振蕩

       根據LC振蕩的原理,抑制振蕩幅度的主要措施是增加阻尼使振蕩快速收斂并降低振幅,增加阻尼的主要措施有增加串聯電阻、串聯磁珠。

圖7:RCD吸收二極管使用肖特基二極管時電壓電流波形

RCD吸收二極管環路增加電阻阻尼振蕩

圖8:RCD吸收二極管串聯電阻阻尼振蕩時電壓電流波形(肖特基二極管)

       在圖7的電路應用相同的條件下,在RCD吸收回路中增加串聯30ohm電阻時的波形如圖8所示,電壓振蕩幅度明顯降低,振幅收斂變快,改善振蕩效果很明顯。

RCD吸收二極管環路增加磁珠阻尼振蕩

圖9:RCD吸收二極管串聯磁珠阻尼振蕩時電壓電流波形(肖特基二極管)

        在圖7的電路應用相同的條件下,在RCD吸收回路中增加串聯6mm磁珠時的波形如圖58所示,電壓振蕩幅度明顯降低,振幅收斂變快,改善振蕩效果很明顯。

三、降低環路中的寄生電感

       改變寄生振蕩可能通過增加環路阻尼、改變二極管寄生電容、寄生電感的角度來考量,在二極管兩端增加并聯RC電路本質是改變二極管寄生電容,會使二極管反向恢復時間加長,影響二極管的電應力,同時也會影響二極管的溫升特性。

       在二極管環路中增加阻尼,尤其是串聯電阻的方式應用場景非常受限,電阻本身溫度也是問題;二極管環路中增加磁珠,磁珠本身具有電感特性,對于較低頻率的振蕩阻尼并不能完全達到目的,有時按下葫蘆抬起瓢。

       降低環路中的寄生電感,甚至消除環路中的寄生電感,是消除寄生振蕩的殺手锏之一。環路中的寄生電感主要來自器件引線的寄生電感、PCB布線的寄生電感,尤其是PCB布線的寄生電感是導致高頻寄生振蕩的主要原因。

縮小PCB布線本身的寄生電感

        PCB布線寄生電感大小主要與PCB布線長度、回路布線長度、線寬、過孔有關,降低PCB布線寄生電感降低布線長度,回路面積是非常有效的措施之一;功率信號布線換層過孔、濾波電容的換層過孔、功率信號環路地線換層過孔的寄生電感,是導致寄生振蕩的主要原因之一,減少功率信號(動點信號)、功率回流地線換層次數是降低寄生電感的改善措施。

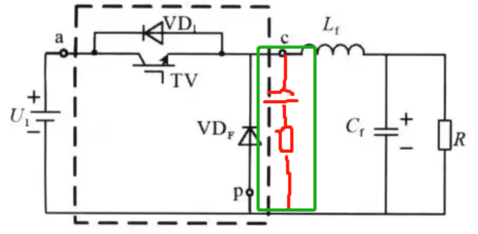
增加高頻旁路電容降低環路寄生電感的影響

       在二極管選型確定后、PCB Layout布線確認后,所有寄生參數都基本確認,增加高頻旁路電容目的是縮小噪聲的環路面積,本質上也降低了環路寄生電感從而改善寄生振蕩的影響。

圖10:Boost電路二極管輸出增加高頻電容縮小環路

 

聲明:本內容為作者獨立觀點,不代表電子星球立場。未經允許不得轉載。授權事宜與稿件投訴,請聯系:editor@netbroad.com
覺得內容不錯的朋友,別忘了一鍵三連哦!
贊 1
收藏 2
關注 210
成為作者 賺取收益
全部留言
0/200
成為第一個和作者交流的人吧