最新电影在线观看,jrs低调看直播,avav天堂,囯产精品宾馆在线精品酒店,亚洲精品成人区在线观看

反饋線路

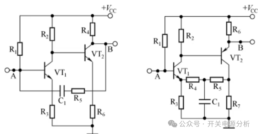
我們反饋電路的類型有很多,比如電壓反饋,電流反饋,交流反饋,直流反饋,但是最常用到就要屬正反饋和負反饋,下圖為正反饋和負反饋的基本線路:

從上圖中,我們可以看到左邊為正反饋線路,因為R5和C1將輸出信號的一部分返送回輸出端,使得VT1的基極電源上升,VT1的集電極電壓下降,所以VT2的基極電壓下降,VT2的集電極電壓上升,這個集電極電壓經過R5和C1反饋到VT1的基極,從而加快VT1的導通,構成正向反饋的動作,所以線路為正反饋線路,圖中右邊線路為負反饋線路,因為R4和R5為反饋線路,反饋到VT1的發射極,我們假設VT1的發射極電壓上升,從而導致集電極電壓也上升,所以VT2的基極電壓上升,VT2的集電極電源下降,這個下降的電壓反饋到VT1的發射極,這與我們假設的電壓上升不符,所以這個反饋屬于負反饋線路。

正反饋線路的作用主要作用就是將偏差進行放大,放大結果就是成倍的增大或者成倍的衰減,最常見的就是將放大線路轉化為振蕩線路,我們日常中比較常用到的場景有三類:一是在振蕩器中加入正反饋從而產生振蕩達到持續振蕩的現象;二是在放大器中使用合適的正反饋線路,加速響應從而提高增益;三是在數字電路中利用正反饋線路形成滯回記憶效應實現遲滯特性。

負反饋線路的主要作用是讓放大線路的放大性能穩定,減小失真偏差,提高精度,讓電源保持平衡的關鍵線路;負反饋線路的工作原理是先檢測偏差,然后產生反向調節,從而減小偏差保持系統穩定;我們日常比較常用到的場合有以下幾類:一是在我們電源的輸出反饋線路中使用,二是恒溫系統和定速系統中采用負反饋來保持恒定能量。

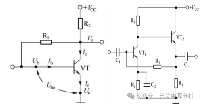
下圖為兩種常見的負反饋線路,分別為電壓負反饋線路及多級放大線路負反饋:

上圖左邊為一級電壓負反饋放大線路,電路中R1在線路中起到了負反饋作用, 因為R1除了可以為三極管VT1的基極提供電流外,還能將一部分的輸出信號反饋到輸入端也就是三極管VT1的基極,因為基極和集電極是反相關系,簡單說就是當基極電壓上升時,集電極電壓會下降,所以R1在線路中起到的是負反饋作用;上圖右邊為多級放大負反饋線路,其中R3為反饋電阻,從上圖中,我們可以看到線路屬于并聯交流直流負反饋,我們假設VT1的基極電流增大,那么流過R1的電流增大,也就是VT2基極的電壓減小,那么VT2導通量減小,則R4兩端壓降減小,那么流過R3的電流減小,那么VT1基極電流相應減小,補充增大的部分,所以R3在線路中起到了負反饋的作用。

雖然正反饋和負反饋是兩個完全不同的線路機制,但是我們可以將兩種線路進行配合使用,這樣不僅能各種發揮它們的獨特作用還可以實現單個反饋環路無法實現的復雜功能和優異特性,現在在我們高級的控制電路和系統中是比較常見的一種強大的設計方法。

聲明:本內容為作者獨立觀點,不代表電子星球立場。未經允許不得轉載。授權事宜與稿件投訴,請聯系:editor@netbroad.com
覺得內容不錯的朋友,別忘了一鍵三連哦!
贊 4
收藏 4
關注 128
成為作者 賺取收益
全部留言
0/200
成為第一個和作者交流的人吧