最新电影在线观看,jrs低调看直播,avav天堂,囯产精品宾馆在线精品酒店,亚洲精品成人区在线观看

10KW三相變頻器系統設計

1. ?設計需求分析

->?功率等級:10kW變頻器主要面向工業電機驅動、自動化生產線、風機水泵等應用場景,是中小型工業設備節能與智能控制的核心動力單元。

->  輸入電壓:三相380V AC,頻率50Hz,允許電壓波動范圍±15%,適應國內典型工業電網環境。

->?輸出參數:電壓0~380V 續可調,頻率0~400Hz寬范圍可調,最大輸出電流20A,滿足三相異步電機或永磁同步電機的調速需求。

->?性能指標:輸入側功率因數≥0.98,電流諧波失真(THDi)<5%;輸出電流波形正弦度高,帶載能力與動態響應性能優異。

2.拓撲結構選擇(有源前端整流(AFE)+兩電平電壓源逆變(VSI))

        10kW變頻器系統采用“有源前端整流(AFE)+兩電平電壓源逆變(VSI)”的高性能拓撲組合,該架構以其高功率因數、低諧波污染和優異的能量雙向控制能力,成為現代工業變頻驅動的標準解決方案。

?前端整流?:采用三相六開關有源PWM整流器(AFE)。該拓撲通過全控型IGBT取代傳統二極管整流橋,不僅實現了網側電流的正弦化控制(THDi<5%),更具備了能量雙向流動能力,可將電機制動產生的再生能量回饋電網,顯著提升系統能效。其直流母線電壓穩定可控,為后端逆變提供高質量的能源供給。

?后端逆變?:采用經典的三相兩電平電壓源型逆變器。該拓撲結構成熟、控制簡單可靠,通過高頻PWM調制可輸出高質量的三相交流電壓,驅動電機平穩運行。其直流母線電壓利用率高,動態響應快,非常適合10kW功率等級的變頻應用。

?直流母線設計?:母線電壓設置為720V,采用電解電容與薄膜電容并聯的組合方案。電解電容提供主要能量緩沖,薄膜電容抑制高頻紋波,優化系統的高頻響應與穩定性。

3. ?控制策略

  • 整流雙環控制:整流器雙環控制的核心目標是控制輸入電流并穩定直流母線電壓,雙環控制兼顧了輸入電流的高輸入功率因數與低諧波失真,又保證了母線電壓的快速響應。
  • 整流SPWM調制:采用正弦脈寬調制(SPWM)確保輸入電流精準跟蹤市電。
  • 矢量控制(FOC):系統核心采用磁場定向控制(FOC)。通過Clarke和Park變換,將三相交流電機電流解耦為勵磁分量(Id)和轉矩分量(Iq),分別進行閉環控制,從而實現電機轉矩的快速、精準控制,獲得媲美直流電機的動態性能。
  • 電機雙閉環控制架構?:系統采用級聯的雙閉環控制。外環為速度環,接收速度指令并反饋實際轉速,其輸出作為內環(電流環)的轉矩指令。電流內環負責快速、準確地跟蹤轉矩指令,并實現輸出電流的限制與保護。這種結構兼顧了系統的穩態精度與動態響應速度。

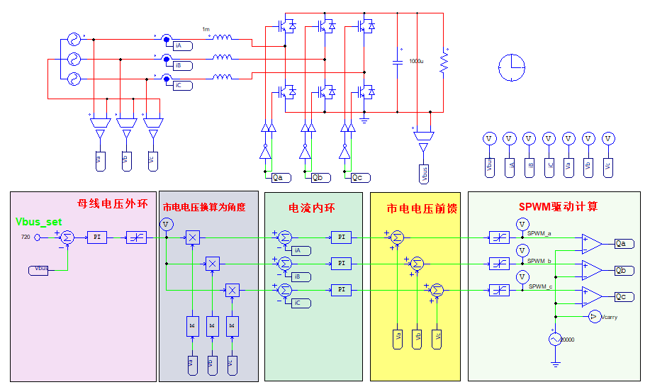
4. ?AFE整流實現

4.1 AFE控制實現

AFE整流器采用電壓外環與電流內環的雙閉環控制。電壓外環通過調節直流母線電壓偏差,輸出電流幅值指令,以維持母線穩定。電流內環則快速跟蹤該指令,控制網側電流實現正弦化且與電壓同相,從而獲得單位功率因數與極低的電流諧波失真。

控制框架如下:

4.2 AFE閉環控制系統如下:

仿真結果如下:

5. 逆變器與電機控制實現

5.1 逆變雙閉環控制

基于轉子磁場定向的矢量控制(FOC)通過坐標變換,將定子電流分解為勵磁分量(Id)和轉矩分量(Iq),實現類似直流電機的解耦控制。

外環為轉速環:轉速PI控制器根據給定值與反饋值的誤差,輸出作為內環的q軸電流參考信號(Iq_ref),用于控制電磁轉矩。

內環為電流環:快速跟蹤Id_ref(通常設為0以維持額定磁通)和Iq_ref,通過PI調節器和前饋解耦計算,輸出控制電壓,經SPWM驅動逆變器,從而精確控制電機轉速和轉矩。

控制框架如下:

5.2 逆變閉環實現

逆變閉環系統如下:

5.3 仿真驗證?

搭建完整的FOC控制系統仿真模型。測試結果顯示:電機初始負載扭矩20N·m轉速1000;   0.7s時轉速給定變為2000,1.4s時扭矩負載變為40N·m;整個負載變換過程中, 電機動態響應迅速,過渡平滑。

6. AFE+VSI變頻器系統實現

上面已經單獨實現了AFE整流閉環控制、兩電平電壓源逆變FOC雙閉環控制,只要要將AFE整流閉控制系統的高壓輸出接到兩電平電壓源逆變FOC雙閉環控制系統直流輸入,即可實現10KW變頻器的系統仿真。

仿真波形:

7. 系統總結

         本文基于10kW工業變頻器的應用需求,完成了從系統規格定義、拓撲選型、控制策略制定到詳細仿真驗證的全流程設計。系統采用AFE整流與VSI逆變相結合的高性能拓撲,運用基于同步坐標系的矢量控制與雙閉環策略,實現了高輸入功率因數、低諧波污染、高輸出波形質量及卓越動態性能的設計目標。通過詳細的PSIM仿真,驗證了系統在不同工況下的穩定性和可靠性,為產品后續的硬件實現與調試奠定了堅實的理論基礎。

 

聲明:本內容為作者獨立觀點,不代表電子星球立場。未經允許不得轉載。授權事宜與稿件投訴,請聯系:editor@netbroad.com
覺得內容不錯的朋友,別忘了一鍵三連哦!
贊 2
收藏 2
關注 85
成為作者 賺取收益
全部留言
0/200
成為第一個和作者交流的人吧