最新电影在线观看,jrs低调看直播,avav天堂,囯产精品宾馆在线精品酒店,亚洲精品成人区在线观看

SDRAM詳細分析—09 DDR3器件管腳描述

大家好,這里是大話硬件。

前面一系列的文章,對SDRAM器件內部的原理進行了分析,今天這篇文章結合DDR3 SDRAM 顆粒,具體看看這個課題管腳的描述。

在官網下載DDR3 MT41J系列的數據手冊,描述如下。結合前面的文章,應該不難讀懂了。

在數據手冊中,對管腳的描述如下:

數據手冊中對管腳的描述如下:

為了搞清楚每個信號的意思,專門對表格中管腳定義和功能進行翻譯和梳理如下。在文章最后有獲取表格的方式。

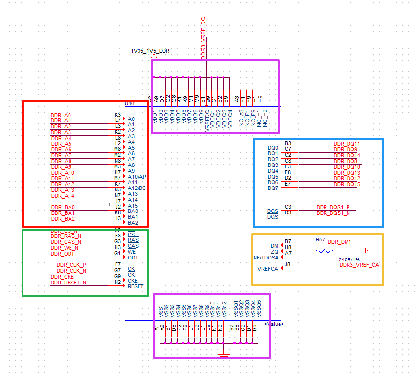
在網上下載海思開發板的原理圖,可以看到海思原理圖DDR3的連線如下,將其分為5個部分。

紅框是地址線,行地址和列地址是共用這些線;

綠色框是時鐘,復位,以及控制線,這些信號都是參考差分時鐘CKE和CK# 采樣;

CS# 信號是同時選中2片DDR

如果8片DDR在DIMM上,CS就是同時選中8片DDR,也就是1個rank。

紫色框是電源和地;

藍色框是數據線還有輸入輸出數據采樣時鐘;數據的采樣是以DQ和DQS來采樣,而不是CK和CK# 這里需要注意區分;

橙色框是額外配置管腳,在ZQ上要接240Ω的電阻,簡單的理解就是這個電阻可以讓DDR進行校準的時候作為參考,更好的輸出信號,提高信號完整性。

VREF信號在管腳定義中有寫,需要將VREF信號保持穩定。為了保持參考信號的穩定,海思官方使用單獨的電源供電,并使用電阻進行分壓。

有些設計中,使用專門的LDO芯片還生成這個參考電壓VREEFCA。

基于上面對DDR3原理圖的分析,再看DDR4的原理圖,是不是就完全沒問題,功能管腳和DDR3基本一樣,這里DQS分了低8位和高8位而已。

聲明:本內容為作者獨立觀點,不代表電子星球立場。未經允許不得轉載。授權事宜與稿件投訴,請聯系:editor@netbroad.com
本篇所含全部資料,點擊此處留下郵箱我會發給你
資料明細:器件管腳功能翻譯.xlsx
覺得內容不錯的朋友,別忘了一鍵三連哦!
贊 1
收藏 2
關注 608
成為作者 賺取收益
全部留言
0/200
成為第一個和作者交流的人吧