最新电影在线观看,jrs低调看直播,avav天堂,囯产精品宾馆在线精品酒店,亚洲精品成人区在线观看

  • 6
    回復
  • 收藏
  • 點贊
  • 分享
  • 發新帖

電機驅動設計中PI BridgeSwitch 系列PCB設計要素及關鍵問題

產品簡介

Power Integrations 的BridgeSwitch 系列是集成器件保護與系統監測的高壓自供電半橋電機驅動器,核心配置為600V N 溝道功率 FREDFET(含超軟快速恢復二極管),支持自偏置供電(無需輔助電源),采用占板面積小的inSOP-24C 表面貼裝封裝(裸焊盤通過 PCB 散熱),額定連續電流下效率可達98% 且無需外部散熱片;具備可調逐周期電流限流、兩級熱過載保護、自適應死區時間等安全特性,支持高壓母線監測(四級欠壓 + 一級過壓) 系統溫度監測,通過雙向開漏單線 FAULT 接口向 MCU 報告狀態,主要應用于兩相 / 三相高壓 PM 電機、BLDC 電機驅動器(如家電、空調冷凝器風扇),典型逆變器輸出功率可達 400W,部分型號(BRD126X)還提供精確實時相電流信息輸出。

核心特性詳解

性能與設計適配性

高效率與無輔助電源:集成高壓電流源,從 HD 引腳(上管漏極)直接取電,實現上 / 下管驅動器自偏置供電,無需外部輔助電源;硬開關逆變器場景下效率達98%,減少能量損耗。
多拓撲兼容:支持反激、降壓、降壓 - 升壓三種拓撲,適配隔離 / 非隔離式電機驅動需求,靈活性高。
精確相電流輸出(BRD126X 系列):通過 IPH 引腳輸出下管 FREDFET 漏極電流信息,配合外部小信號電阻(如 10kΩ),可直接為無傳感器電機控制算法提供輸入,無需額外檢測電路。

安全與可靠性增強

可調逐周期限流:通過 XL 引腳(下管)、XH 引腳(上管)外接電阻設定限流點,推薦電阻范圍44.2kΩ~133kΩ(對應限流點為默認值的 42%~100%);默認限流點隨型號變化,如 BRD1X65C 為3.0A,BRD1X67C 為4.1A(表 21)。
兩級熱過載保護:告警溫度:典型值125℃(范圍 118~132℃),觸發后通過 FAULT 引腳報告;關斷溫度:典型值150℃(范圍 143~157℃),觸發后永久禁止 FREDFET,需 MCU 發送復位命令恢復。
系統級監測:高壓母線監測:SM 引腳 + 分壓電阻(RHV1=6~8MΩ),支持四級欠壓(UV55/UV70/UV85/UV100)和一級過壓(OV)

PCB 設計關鍵指南

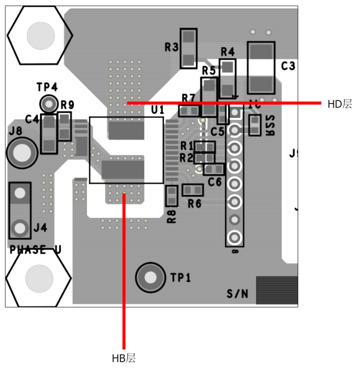
旁路電容布局:BPL/BPH 電容需緊貼對應引腳,BPL 負極接 SG,BPH 負極接 HB,減少寄生電感;

限流電阻布局:XL 電阻近 XL 引腳 + SG,XH 電阻近 XH 引腳 + HB,環路面積≤10mm²,避免干擾;

接地設計:SG 單獨走線,與功率地(LS 引腳)分開,所有小信號參考 SG;

散熱設計:HD/HB 裸焊盤鋪 2 盎司銅,面積≥645mm²(BRD1X67C),確保熱阻達標;

噪聲抑制:SM 引腳可并 100pF 電容(高噪聲環境),IPH 信號線盡量短(<50mm)。

問題 1:BridgeSwitch 系列如何實現 “自供電且無需輔助電源”?

答:BridgeSwitch 通過內部高壓電流源實現自供電:HD 引腳(上管漏極)直接接入高壓直流母線(≥50V VHD (START)),電流源從 HD 引腳抽取電流,分別為下管控制器(BPL 引腳)和上管控制器(BPH 引腳)的旁路電容充電,無需外部輔助電源;下管導通時,額外電流源為 BPH 電容補電,確保上管驅動器供電穩定。

問題 2:BridgeSwitch 的系統監測功能可實現哪些監測?

答:BridgeSwitch 通過SM 引腳實現兩類系統監測:①高壓直流母線監測(欠壓 + 過壓);②外部溫度監測(NTC 熱敏電阻),上電時 SM 引腳自動識別連接類型(接母線或地)。

全部回復(6)
正序查看
倒序查看
ZT0oo0
LV.4
2
08-24 09:53

該系列支持自偏置供電無需輔助電源,在PCB設計里,怎樣規劃電源走線和濾波電路,避免自供電受其他電路干擾,確保電機驅動穩定 ?

0
回復
沈夜
LV.8
3
08-25 05:03

問題:BridgeSwitch系列如何優化熱設計以提升可靠性和效率?

0
回復
08-25 14:08
@ZT0oo0
該系列支持自偏置供電無需輔助電源,在PCB設計里,怎樣規劃電源走線和濾波電路,避免自供電受其他電路干擾,確保電機驅動穩定?

避免電機開關時產生的大電流瞬變在走線公共阻抗上產生噪聲電壓,從而污染自偏置電源。

0
回復
08-25 14:09

如何更好的在電機和大電流開關電路進行物理和電氣上的隔離?

0
回復
XHH9062
LV.9
6
08-25 22:52

待機功耗如何?

0
回復
08-28 22:18

很不錯的分享,很詳細

0
回復